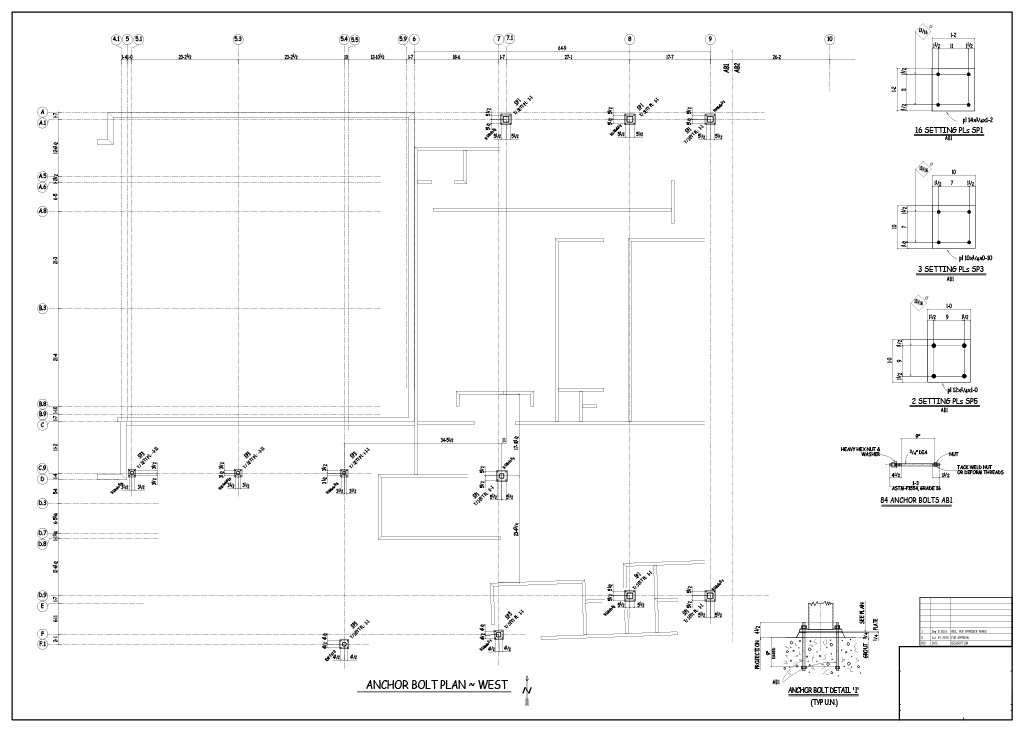
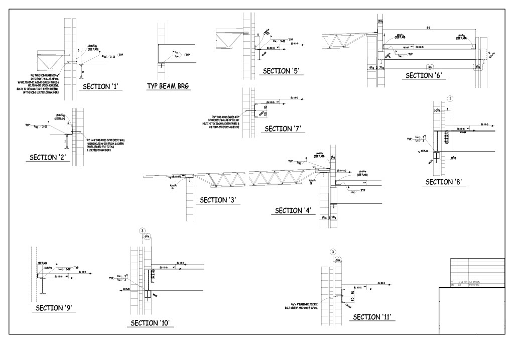
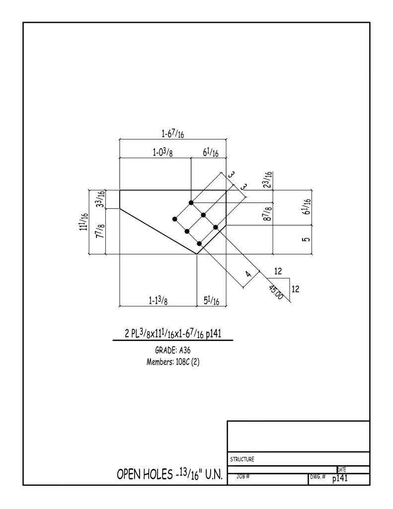
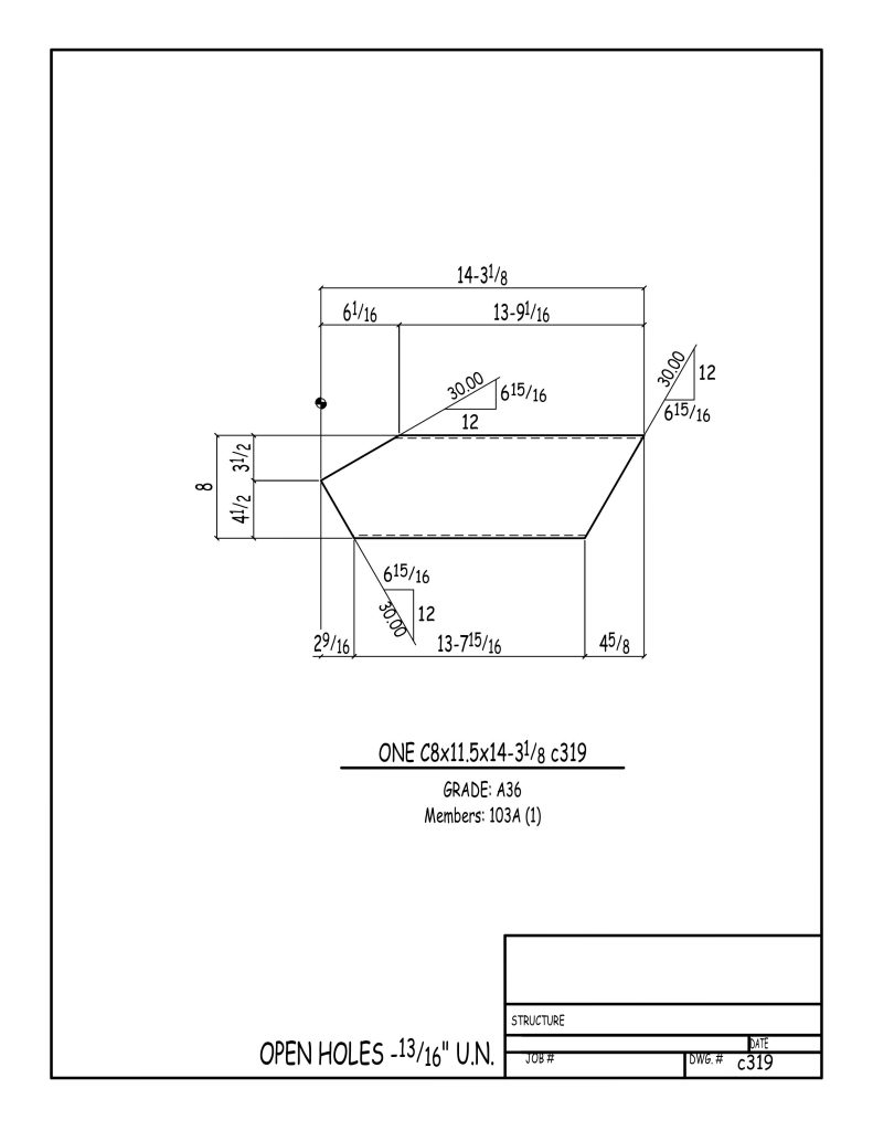
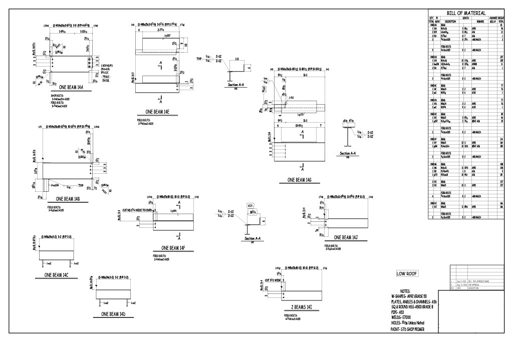
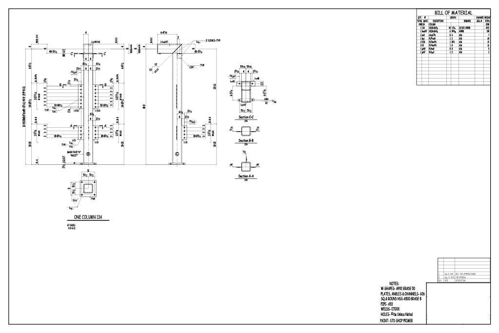
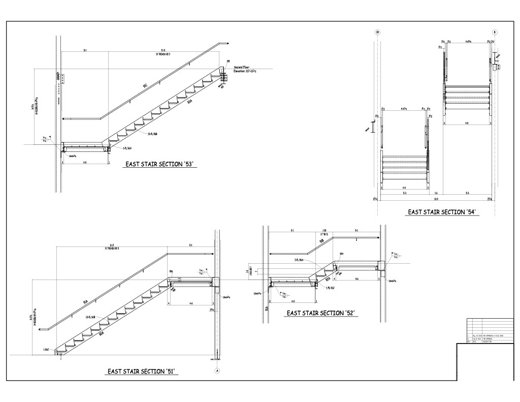
Services
We specialize in both structural and miscellaneous steel.
From the most basic steel beams and columns in your home to the most complicated steel structures in your schools, we detail it all. Nothing is too small or complicated. Whether it be simple ramp rails, or involved steel stairs with ornamental railings.
















